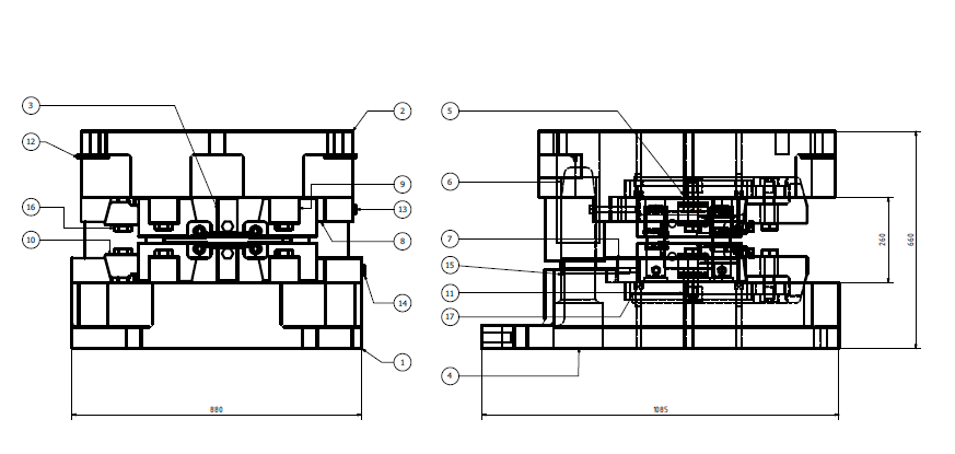
Tools are the center of production. That is why it is important that it is made of suitable materials and geometry. During my work, I designed tool holders for several different types of machines. Few of them are presented on this page.
Screw press tool holder



Deburring tool holder


Maxima press tool holder


